
手機購
更方便
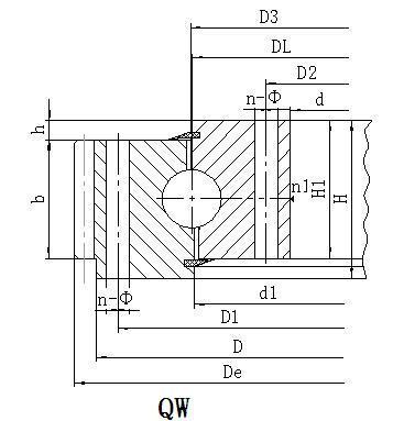
Q系列外齒型轉盤軸承
結構特點、性能、適用范圍
單排四點接觸球式回轉支承由兩個座圈組成,結構緊湊,重量輕,鋼球與圓弧滾道四點接觸,能同時承受軸向力,徑向力和傾翻力矩,回轉式輸送機,焊接操作機,中小型起重機和挖掘機等工程機械均可選用。
由于傳遞力的需要,回轉支承其中一個套圈上通常制有齒。齒輪的熱處理狀態一般為正火或調質狀態。齒表面也可按照用戶的要求淬火處理,淬火硬度在HRC50~60,并且能夠保證足夠的深度。
序號
型號
外形尺寸
安裝孔尺寸
結構
齒輪參數
外齒式
H
Du
Dn
n
通孔A
螺孔B/C/D
n1油杯
h
B
m
外齒式x=-0.5
De
齒數z
重量
D
d
φ
d1
T
mm
mm
mm
mm
kg
1
QW.315.20
406
222
60
370
260
10
17
M16
24
2
10
40
3
423
140
35
QW.315.20A
4
428
106
36
2
QW.355.20
446
262
60
410
300
10
17
M16
24
2
10
40
3
462
153
40
QW.355.20A
4
468
116
41
3
QW.400.20
490
307
60
455
345
12
17
M16
24
2
10
40
4
512
127
45
QW.400.20A
5
520
103
47
4
QW.450.20
540
357
60
505
395
12
17
M16
24
2
10
40
4
564
140
51
QW.450.20A
5
570
113
53
5
QW.500.20
590
407
60
555
445
14
17
M16
24
2
10
40
5
615
122
56
QW.500.20A
6
624
103
58
6
QW.560.20
654
464
70
618
502
14
17
M16
30
2
10
50
4
680
169
78
QW.560.20A
5
685
136
79
7
QW.630.20
724
534
70
688
572
16
17
M16
30
2
10
50
4
748
186
86
QW.630.20A
5
755
150
88
8
QW.710.20
804
614
70
768
652
18
17
M16
30
2
10
50
5
835
166
99
QW.710.20A
6
840
139
101
9
QW.800.20
894
704
70
858
742
20
17
M16
30
2
10
50
6
930
154
114
QW.800.20A
8
936
116
114
10
QW.800.25
904
692
78
864
736
18
22
M20
36
2
10
58
6
942
156
143
QW.800.25A
8
952
118
147
11
QW.900.25
1004
792
78
964
836
20
22
M20
36
2
10
58
8
1048
130
162
QW.900.25A
10
1060
105
168
12
QW.1000.25
1104
892
78
1064
936
24
22
M20
36
2
10
58
8
1152
143
182
QW.1000.25A
10
1160
115
185
13
QW.1000.32
1120
876
90
1074
926
24
24
M22
40
2
10
70
8
1160
144
227
QW.1000.32A
10
1170
116
232
14
QW.1120.32
1240
996
90
1194
1046
28
24
M22
40
4
10
70
10
1300
129
272
QW.1120.32A
12
1308
108
275
15
QW.1250.32
1370
1126
90
1324
1176
32
24
M22
40
4
10
70
10
1430
142
302
QW.1250.32A
12
1440
119
309
16
QW.1400.32
1520
1276
90
1474
1326
36
24
M22
40
4
10
70
12
1584
131
337
QW.1400.32A
14
1596
113
347
17
QW.1250.40
1390
1108
102
1336
1164
32
26
M24
45
4
12
80
10
1450
144
396
QW.1250.40A
12
1452
120
392
18
QW.1400.40
1540
1258
102
1486
1314
36
26
M24
45
4
12
80
12
1608
133
448
QW.1400.40A
14
1610
114
443
19
QW.1600.40
1740
1458
102
1686
1514
40
26
M24
45
4
12
80
12
1812
150
528
QW.1600.40A
14
1820
129
534
20
QW.1800.40
1940
1658
102
1886
1714
44
26
M24
45
4
12
80
14
2016
143
583
QW.1800.40A
16
2032
126
607
21
QW.1600.50
1762
1434
124
1704
1496
40
30
M27
50
4
12
100
12
1824
151
714
QW.1600.50A
14
1834
130
727
22
QW.1800.50
1964
1634
124
1904
1696
44
30
M27
50
4
12
100
14
2044
145
845
QW.1800.50A
16
2048
127
843
23
QW.2000.50
2162
1834
124
2104
1896
48
30
M27
50
6
12
100
16
2240
139
912
QW.2000.50A
18
2250
124
927
24
QW.2240.50
2402
2074
124
2344
2136
54
30
M27
50
6
12
100
16
2480
154
1020
QW.2240.50A
18
2502
138
1078
25
QW.2500.50
2662
2334
124
2604
2396
60
30
M27
50
6
12
100
18
2754
152
1171
QW.2500.50A
20
2760
137
1175
26
QW.2500.60
2696
2304
150
2626
2374
60
33
M30
56
6
14
122
18
2790
154
1677
QW.2500.60A
20
2800
139
1701
尺寸
數量
注:
1、n1為潤滑油孔數,均布:油杯M10×1 JB/T7940.1-JB/T7940.2
2、安裝孔n-Φ可改用螺孔;齒寬b可改為H-h。
3、表內齒輪圓周力為最大圓周力,額定圓周力取其1/2。
聯系我們
掃一掃查看更多信息