
手機購
更方便
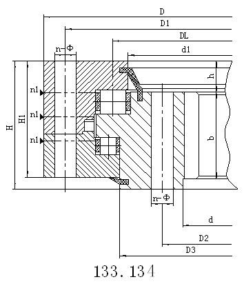
三排滾柱式內齒型轉盤軸承
結構特點、性能、適用范圍
三排滾柱式回轉支承有三個座圈,上 下及徑向滾道各自分開,使得每一排滾柱的負載都能確切地加以確定。能夠同時承受各種載荷,是四種產品中承載能力很大的一種,軸、徑向尺寸都較大,結構牢 固,特別適用于要求較大直徑的重型機械,如斗輪式挖掘機、輪式起重機、船用起重機、港口起重機、鋼水運轉臺及大噸位汽車起重機等機械上。
![]()
聯系我們
掃一掃查看更多信息